Produkt został zapamiętanyDo przechowalni

KOTŁY

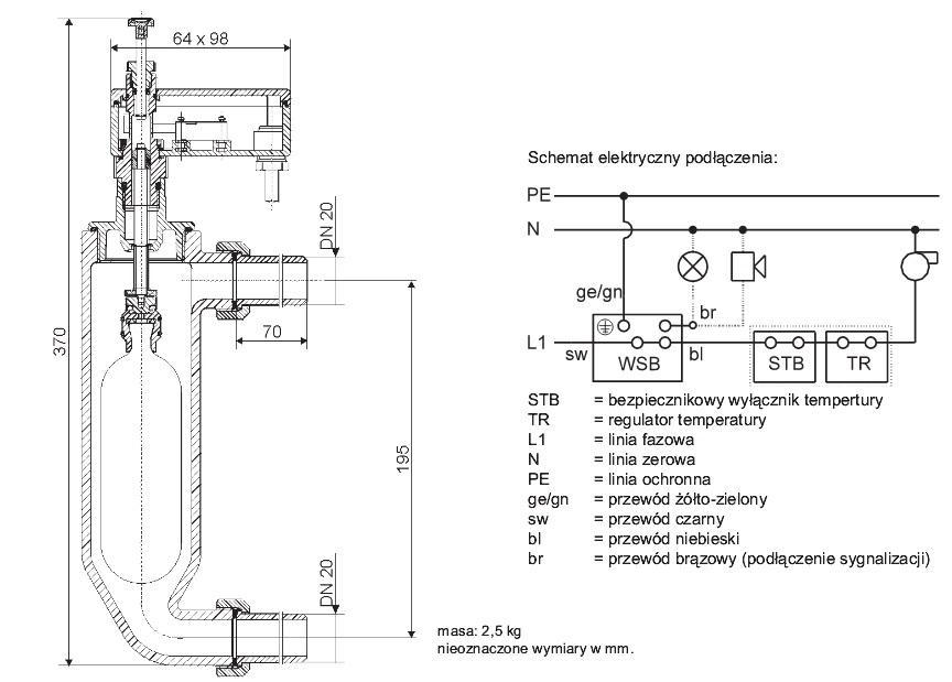
Zabezpieczenie stanu wody 933.1 z blokadą

Indeks: 77559
Indeks producenta: 0933.20.150
EAN: 4017905046145
Producent: SYR

Status: .NATYCHMIAST.
Dostępność: 43
2 059,50 PLN
Ilość

Zabezpieczenie stanu wody SYR 933.1 HUSTY 0933.20.150

Zabezpieczenie stanu wody SYR 933.1.

Zabezpieczenie stanu wody z blokadą typ 933.1 do zabezpieczania kotłów w zamkniętych i otwartych systemach grzewczych. Do montażu zewnętrznego, przyłącza z dwoma śrubunkami do przyspawania. Klasa szczelności skrzynki elektrycznej IP 65

DANE TECHNICZNE:

  • Typ produktu: zabezpieczenie
  • Rozmiar: DN 20
  • Max. ciśnienie: 10 bar
  • Max. temperatura: 120°C
  • Obciążalność elektryczna: (250V) 10(3) A
  • Typ produktu: zabezpieczenie
  • Rozmiar: DN 20
  • Maksymalna temperatura: 120°C
  • Obciążalność elektryczna: (250V) 10(3) A
  • Długość opakowania [cm]: 0
  • Kod producenta: 0933.20.150
Podstawowe
Stan:Nowy