TECHNIKA INSTALACYJNA

SYR Zawór bezpieczeństwa 2115 G 6/4 cala 6bar mosiądz

Indeks: 74011
Indeks producenta: 2115.40.150
EAN: 4017905046626
Producent: SYR

Status: .NATYCHMIAST.
Dostępność: 13
1 444,30 PLN
Ilość

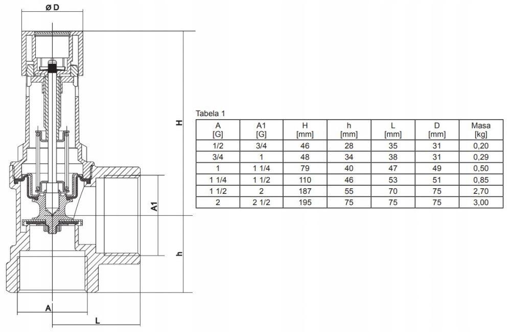
SYR ZAWÓR BEZPIECZEŃSTWA 2115 1 1/2" DN40 6 BAR HUSTY 2115.40.150

  • Ciśnienie otwarcia: 6 bar
  • Temperatura pracy: maks. 110°C
  • Medium: pary i gazy, ciecze, mieszaniny wody i glikolu do 50%
  • Zalecany montaż: pionowo, wejście z dołu
  • Atest PZH: tak

Zastosowanie:

Membranowe zawory bezpieczeństwa 2115 służą do zabezpieczania ciśnieniowych systemów wypełnionych cieczą przed przekroczeniem dopuszczalnego ciśnienia. Stosowane są dla zabezpieczania m.in. zestawów hydroforowych, zamkniętych ogrzewaczy wody użytkowej. Zasady doboru wielkości zaworu w zależności od objętości zbiornika ogrzewacza pokazano w tabeli 2 (dane według DIN).Zawory bezpieczeństwa można stosować w ciśnieniowych instalacjach wodnych i z innymi nieklejącymi cieczami o maksymalnej temperaturze nie przekraczającej 110°C. Zawory znajdują także zastosowanie w instalacjach z nieagresywnymi gazami technicznymi(np. sprężone powietrze).Podane wartości d, α, αc w tabeli 2 umożliwiają obliczanie wartości wyrzutowej zaworu (przepustowości). W tabeli 3 podane zostały przepustowości zaworów dla wody (obliczenia wykonane wg wytycznych UDT).

Budowa:

Zawory bezpieczeństwa wykonane są z uszczelnieniem powyżej membrany, z możliwością odpowietrzenia/sprawdzenia przez przekręcenie kołpaka. Uszczelnienie siedziska zaworu i siedzisko może być oczyszczone przez wykręcenie całej wkładki górnej zaworu. Po wykonaniu czynności oczyszczania zaworu, należy z powrotem wkręcić wkładkę górną. Jeżeli oczyszczenie zaworu nie przyniosło rezultatu, zawór należy wymienić na nowy.Konstrukcja zaworu uniemożliwia przestawienie ciśnienia otwarcia zaworu.

Wykonanie:

Korpus i obudowa zaworu z niskoołowiowego mosiądzu / brązu (spiżu), odpornego na wypłukiwanie cynku; w przypadku obudowy z tworzywa zastosowano materiał wzmacniany włóknem szklanym; membrana i uszczelnienie z odpornego na wysoką temperaturę i starzenie materiału o elastyczności gumy; sprężyna ze stali sprężynowej pokrytej powłoką galwaniczną dla zabezpieczenia przed korozją.

Podstawowe
Stan:Nowy