Produkt został zapamiętanyDo przechowalni

KUCHNIA / ŁAZIENKA

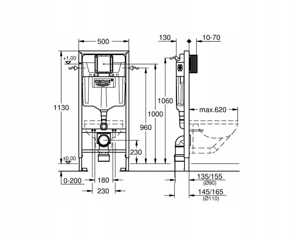
Stelaż podtynkowy Grohe RAPID SL do WC 38528001 wysokość zabudowy 113cm 48h

Indeks: 69990
Indeks producenta: 38528001
EAN: 4005176863943
Producent: GROHE

Status: .NATYCHMIAST.
Dostępność: 87
702,20 PLN
Ilość

>>    ARMATURA  --  GRZEJNIKI  --  KOTŁY  --  POMPY  --  ZBIORNIKI  --  SZYBKA DOSTAWA  --  PRODUKT DOSTĘPNY W JEDNYM Z MAGAZYNÓW   <<

Stelaż Rapid SL, do WC ściennego ze spłuczką do WC 6-9l, wysokość zabudowy 1,13m

PRODUCENT: GROHE

SERIA: RAPID SL

WYMIARY: 1130mm/500mm/150mm

#ID: 38528001

EAN: 4005176863943

WAGA: 12,5 kg

Stelaż do zabudowy GROHE Rapid SL, to doskonałe rozwiązanie dla nowoczesnych aranżacji. Dzięki niemu możesz zaprojektować łazienkę swoich marzeń, uwzględniając elegancką, podwieszaną misę sedesową, zamontowaną przyściennie lub w ścianie szkieletowej. Dzięki systemowi QuickFix, zamontujesz ją nawet do dwóch razy szybciej.

Restrykcyjne testy wykazały również, że stelaż jest w stanie udźwignąć do 400 kg obciążenia, co gwarantuje idealną stabilność i bezpieczeństwo instalacji Nie obawiaj się, że będziesz musiał zmieniać projekt łazienki, przez to, że usytuowałeś toaletę na ścianie sąsiadującej z sypialnią. Inżynierowie GROHE stworzyli technologię Whisper, która zapobiega przenoszeniu się dźwięku wody na strukturę budynku. Nazwano ją „szeptem”, bo natężenie głośności przypomina właśnie najciszej wypowiadane słowa, które na pewno nie zakłócą Ci spokojnego snu.

Zadbaliśmy także o ochronę środowiska i Twoje finanse związane z rachunkami, wyposażając spłuczkę w technologię EcoJoy. Dzięki funkcji spłukiwania dwupojemnościowego oraz Start/Stop – innowacji pozwalającej na zatrzymanie przepływu, gdy nie jest już potrzebny, możesz zaoszczędzić nawet 50% wody. GROHE Rapid SL, to idealny wybór dla ceniących solidność wykonania i swobodę aranżacji.

  • uniwersalna spłuczka do WC, 6 - 9 l
  • do montażu przyściennego lub montażu w ścianie szkieletowej
  • rama stalowa, powlekana proszkowo, samonośna
  • do suchej zabudowy, kompletny montaż wstępny
  • ustalone przyłącza do obiektu
  • z szybką regulacją i blokadą wysokości
  • materiał mocujący
  • kontrola TÜV
  • 2 sworznie mocujące WC
  • mocowanie ceramiki
  • do ceramiki WC o małej powierzchni (< 205 mm) niezbędny jest zestaw adaptacyjny 38 779 000
  • rozstaw śrub 180/230 mm
  • kolanko odpływowe z polietylenu Ø 90 mm
  • regulacja głębokości zabudowy
  • kształtka redukcyjna Ø 90/110 mm
  • zestaw dopływowy i odpływowy
  • spłuczka GD2, 6-9 l z następującymi funkcjami:
  • ustawienie fabryczne 6l i 3l
  • pneumatyczny zawór odpływowy z 3 funkcjami:2-pojemn., Start/Stop lub bez przerywania
  • przyłącze wodne z lewej / prawej lub od tyłu
  • armatura I klasy głośności
  • izolowana przeciwroszeniowo
  • przyłącze wodne ½" z wbudowanym zaworem kątowym i przyłączem
  • do instalacji puszki rewizyjno - ochronnej nie są wymagane narzędzia
  • do montazu pionowego i poziomego
  • do instalacji wymagane kątowniki ścienne Rapid SL 38 558 00M (zamawiane osobno)
  • do montażu małych przycisków spłukujących niezbędna jest mała puszka rewizyjna 40 911 000 (zamawiana osobno)

Wymiary

  • Wysokość: 113 cm
  • Szerokość: 50 cm
  • Głębokość: 15 cm

Inne:

  • Certyfikat KIWA: tak
  • Do lekkich ścian (płyty gipsowo-kartonowe): tak
  • Do litych ścian: nie
  • Do misek WC z funkcją mycia: nie
  • Do napędu elektrycznego: tak
  • Do napędu pneumatycznego: tak
  • Do uruchamiania od góry (w półce): nie
  • Do uruchamiania od przodu: tak
  • Gatunek materiału zbiornika spłuczki: Polipropylen (PP)
  • Głębokość:135 ... 230 mm
  • Konstrukcja samonośna: tak
  • Maks. ilość wody spłukującej: 9 l
  • Materiał: Stal
  • Materiał zbiornika spłuczki: Tworzywo sztuczne
  • Min. ilość wody spłukującej: 3 l
  • Min. wysokość półki: 1130 mm
  • Obsługa ręczna: tak
  • Podkładka pod zbiornikiem: nie
  • Przyłącze wody: Gwint zewnętrzny
  • Rama odpowiednia do misek WC o długości &lt;gt/&gt; 60 cm: tak
  • Regulowana głębokość: tak
  • Regulowana ilość wody spłukującej: tak
  • Regulowana szerokość: nie
  • Regulowana wysokość: tak
  • Regulowana wysokość WC: nie
  • Rozmiar gwintu przyłącza wody (w calach): 1/2 cala
  • Rozmiar przyłącza wody: 1/2 cala
  • Sposób spłukiwania: Dwie objętości
  • Suitable for drywall: tak
  • Suitable for shower toilet: nie
  • Suitable for solid wall: nie
  • Szerokość:500 ... 500 mm
  • Średnica zewnętrzna przyłącza wody:- mm
  • Średnica zewnętrzna rury odpływowej: 90 mm
  • Ustawienie fabryczne ilość wody spłukującej: tak
  • Wysokość:1130 ... 1330 mm
  • Z armaturą przyłącza i odpływu: tak
  • Z elementami mocującymi: nie
  • Z kolanem odpływowym: tak
  • Z materiałem montażowym miski WC: tak
  • Z zaworem odcinającym:tak
  • Z zestawem do izolacji akustycznej: nie
  • Zabezpieczenie powierzchni: Powlekanie