Produkt został zapamiętanyDo przechowalni

TECHNIKA INSTALACYJNA

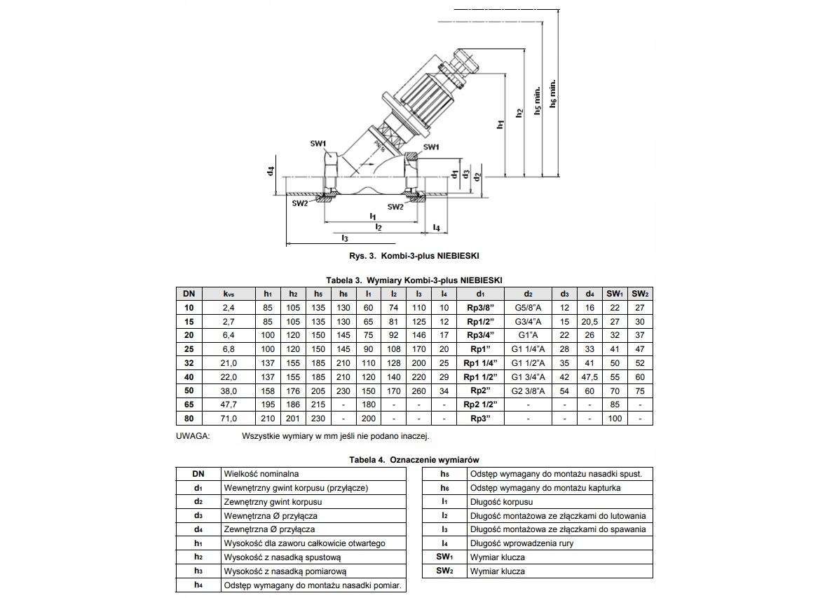
RESIDEO BRAUKMANN Kombi 3-Plus niebieski, powrót, 3/4 cala, GW

Indeks: 74088
Indeks producenta: V5010Y0020
EAN: 4029289008626
Producent: RESIDEO BRAUKMANN

Status: .NATYCHMIAST.
Dostępność: 17
213,80 PLN
Ilość

HONEYWELL V5010Y0020 - Zawór odcinająco-regulacyjny 3/4"

Wyrównoważenie hydrauliczne jest ważnym wymogiem dla prawidłowego działania instalacji grzewczej lub klimatyzacyjnej.

W systemach niezrównoważonych może występować nadmiar lub niedobór gorącej wody do poszczególnych grzejników lub obiegów.

Poza prawidłowym doborem zaworów grzejnikowych niezbędna jest także regulacja pojedynczych obiegów – w niektórych przypadkach wymagana przez lokalne przepisy.

Te wymogi są spełnione przez zawory równoważąco – odcinające Kombi-3-plus.

Kombi-3-plus NIEBIESKI na powrocie z nastawą wstępną posiada funkcje odcięcia, opróżniania i napełniania instalacji.

Ponadto współpracuje z regulatorem membranowym Kombi, może być łatwo przekształcony w automatyczny, regulacyjny zawór równoważący – nawet po przekazaniu instalacji do eksploatacji.

Cechy:

  • Wszystkie funkcje zaworów Kombi-3-plus są realizowane przez trzpień
  • Wysoka dokładność nastaw wstępnych dzięki szerokiemu zakresowi podziałki
  • Solidny korpus zaworu z odpornego na korozję czerwonego brązu
  • Dostępny w wymiarach do DN80
  • Widoczna nastawa wstępna z ukrytym pokrętłem (Kombi-3-plus NIEBIESKI)
  • Bezobsługowy trzpień z podwójnym uszczelnieniem O - ring
  • Uszczelnienie gniazda PTFE

Dane techniczne:

  • Czynnik  -  Woda, mieszanka woda-glikol
  • Temperatura pracy  -  2...130°C
  • Ciśnienie pracy  -  maks. 16 bar
  • Ciśnienie różnicowe  -  maks. 2,0 bar
Podstawowe
Stan:Nowy